Главная _
Анемостат со стеклянной внешней частью FOZA D 125 мм. Матовое стекло. Зеркальный
Анемостат со стеклянной внешней частью FOZA D 125 мм. Матовое стекло. Зеркальный
писание:
- Стеклянные круглые и квадратные дизайнерские анемостаты (диффузоры) FOZA.
- Правильные геометрические формы придают завершённый вид.
- Анемостаты FOZA вписываются в любой интерьер.
- Особенности анемостатов FOZA: Широкая палитра 200 цветов.
- Благодаря технологии обработки стекла Optiwhite не искажается цветопередача.
- Анемостаты FOZA круглые и квадратные.
- Лицевая часть анемостатов FOZA изготавлена из специального стекла Optiwhite.
- Преимущество стекол Optiwhite:
- правильная цветопередача.
- максимальная пропускная способность света;
- отсутствие зеленоватого оттенка, присущего обычному стеклу;
- повышенная степень прозрачности.
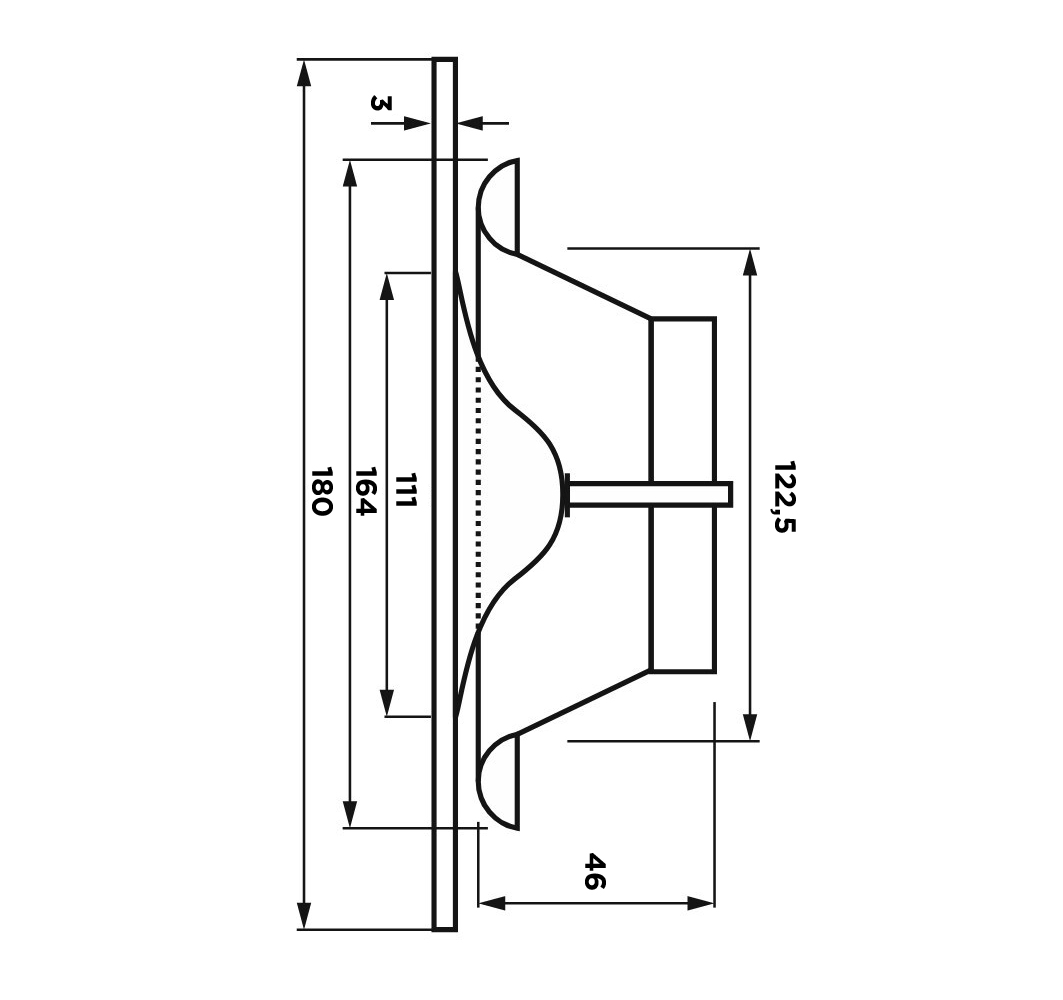
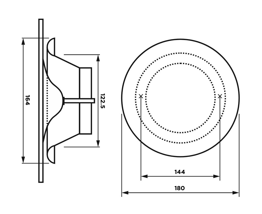
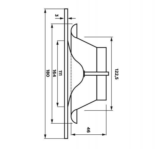
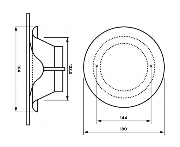
| Диаметр: | 125 |
| Производитель: | FOZA |
| Цвет: | белый |
| Особенности: | Регулируемые диффузоры |
| Страна производства: | Россия. |
| Размеры: | 180x180x50 |
| Серия: | Стеклянные Анемостаты FOZA |
| Внешний диаметр: | 180 мм |
Авторизуйтесь, чтобы оставить отзыв: Войти















